
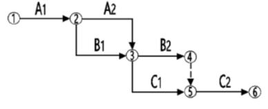
A.节点编号错误
B.工作编号重复
C.存在多余节点
D.有多个终点节点
已帮助 38 人解答此问题
B
考点:本题考查网络计划的绘图规则。 A2和B1共用同一对节点编号。
【2018年真题】下列施工企业员工的安全教育中,属于经常性安全教育的有()。 A.事故现场会B.岗前三级教育C. C安全生产会议D.换岗位时的安全教育E.安全活动日
已帮助 120 人解答此问题 查看答案及解析
【2018年真题】根据建设工程的工程特点和施工生产特点,施工质量控制的特点有()。 A.终检局限性大B.控制的难度大C.需要控制的因素多D.控制的成本高E.过程控制要求高
已帮助 72 人解答此问题 查看答案及解析
【2018年真题】某建设工程网络计划如下图所示(时间单位:月),该网络计划的关键线路有()。 A.①-②-⑤-⑦-⑩B.①-④-⑥-⑧-⑩C.①-②-⑤-⑥-⑧-⑩D.①-②-⑤-⑥-⑧-⑨-⑩E.①-④-⑥-⑧-⑨-⑩
已帮助 91 人解答此问题 查看答案及解析
【2018年真题】根据《生产安全事故报告和调查处理条例》,对事故发生单位主要负责人处上一年年收入40%~80%罚款的违法行为有()。 A.伪造或者故意破坏事故现场B.不立即组织事故抢救C.谎报或者瞒报事故D.在事故调查处理期间擅离职守E.迟报或者漏报事故
已帮助 150 人解答此问题 查看答案及解析
【2018年真题】建设工程施工成本考核的主要指标有()。 A.施工成本降低额B.竣工工程实际成本C.局部成本偏差D.施工成本降低率E.累计成本偏差
已帮助 97 人解答此问题 查看答案及解析
【2018年真题】在建设工程施工管理过程中,项目经理在企业法定代表人授权范围内可以行使的管理权力有()。 A.选择施工作业队伍B.组织项目管理班子C.指挥工程项目建设的生产经营活动D.对外进行纳税申报E.制定企业经营目标
已帮助 127 人解答此问题 查看答案及解析
工程档案的表格应采用统一表格,特殊要求需增加的表格应()。 A.及时上报B.统一报批C.及时备案D.统一归类
已帮助 150 人解答此问题 查看答案及解析
【2018年真题】大型建设工程项目总进度纲要的主要内容包括()。 A.项目实施总体部署B.总进度规划C.施工准备与资源配置计划D.确定里程碑事件的计划进度目标E.总进度目标实现的条件和应采取的措施
已帮助 128 人解答此问题 查看答案及解析
下列选项中,不属于提交竣工报告条件的是()。 A.完备的工程施工技术管理资料B.合同规定的承包项目内容全部完工C.自行组织有关人员进行检查验收D.全面符合设计要求和质量标准
已帮助 99 人解答此问题 查看答案及解析
工程档案一般不少于两套,保管工程档案分别由当地城建档案馆(室)和()。 A.设计单位B.施工单位C.建设单位D.建设主管部门
已帮助 139 人解答此问题 查看答案及解析