A.编制统一的信息管理手册
B.制定统一的信息管理流程
C.建立基于网络的信息沟通制度
D.建立基于网络的信息处理平台
已帮助 128 人解答此问题 查看答案及解析
A.现制水磨石的污水可随意排放
B.城市施工现场厕所宜采用水冲式厕所
C.将有毒有害废弃物作土方回填
D.化学用品库房地面必须进行防渗处理
已帮助 61 人解答此问题 查看答案及解析
A.施工项目的安全检查应由监理单位组织,定期进行
B.编制安全技术措施计划应首先确定风险、然后识别危险源,再进行工作活动分类
C.施工单位应当自施工起重机械和整体提升脚手架等自升式架设设施验收合格之日30日内,向有关部门登记
D.安全检查的重点是检查隐患和安全责任制的落实
已帮助 75 人解答此问题 查看答案及解析
A.全部工作完成,经工程承包人认可后14天内,劳务分包人向工程承包人递交完整的结算资料
B.工程承包人确认结算资料后14天内向劳务分包人支付劳务报酬尾款
C.工程承包人确认结算资料后28天内向劳务分包人支付劳务报酬尾款
D.工程发包人收到劳务分包人递交的结算资料后14天内进行核实
E.工程发包人收到劳务分包人递交的结算资料后28天内进行核实
已帮助 77 人解答此问题 查看答案及解析

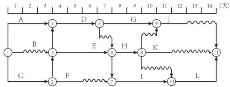
A.第8天,第11天
B.第8天,第9天
C.第7天,第11天
D.第7天,第9天
已帮助 110 人解答此问题 查看答案及解析
A.职能组织结构中每一个工作部门只有一个指令源
B.矩阵组织结构中有横向和纵向两个指令源
C.大型线性组织系统中的指令路径太长
D.线性组织结构中可以跨部门下达指令
E.矩阵组织结构适用于大的组织系统
已帮助 89 人解答此问题 查看答案及解析
A.任务分工表主要明确哪项任务由哪个工作部门(机构)负责主办,另明确协办部门和配合部门
B.主办、协办和配合在表中分别用三个不同的符号表示
C.任务分工表中的每一个任务,至少一个主办工作部门
D.运营部和物业开发部参与整个项目实施过程
E.工作任务分工表一经确定,在项目的进展过程中不得改变
已帮助 127 人解答此问题 查看答案及解析
A.编制资源需求量计划
B.根据工程进展进行施工成本预测
C.进度计划执行情况的比较分析
D.确定关键工作和关键路线
已帮助 43 人解答此问题 查看答案及解析
A.施工平面图反映了施工方案和施工进度计划在空间上的全面安排
B.施工平面图反映了施工机具等资源的供应情况,使整个现场能有组织地进行文明施工
C.施工部署和施工方案的内容包括全面部署施工任务,合理安排施工顺序
D.对工期成本资源进行优化调整属于施工方案的内容
E.施工进度计划的内容包括编制人力时间安排计划、资源需求计划、施工准备计划
已帮助 50 人解答此问题 查看答案及解析
A.施工总承包管理模式下,分包合同价对业主是透明的
B.施工总承包招标和施工总承包管理招标均可以不依赖完整的施工图
C.业主在施工总承包和施工总承包管理模式下,对分包单位的选择和认可权限是相同的
D.施工总承包管理单位负责施工现场的总体管理和协调,对项目目标控制不承担责任
已帮助 85 人解答此问题 查看答案及解析